關于我們/About us
浙江明邦電氣科技有限公司總部位于浙江省溫州市,是一家專注于高壓輸配電領域的高壓配套產品生產商。
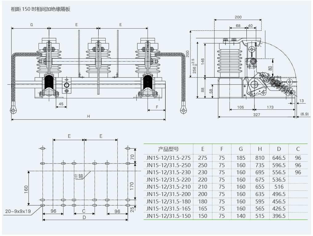
JN15-12/31.5 戶內高壓接地開關是我公司生產的一種結構形式為組裝式的接地開關,其性能符合 GB1985-2014《交流高壓隔離開關和接地開關》國家標準。它適用于戶內 3.6-12kV 三相交流 50(60)Hz 的電力系統中;它具有短路關合能力以保護開關設備內其它電氣設備不受損壞。可與各種高壓開關柜配套使用,作為高壓電器設備檢修時接地保護作用。

JN15-12/31.5 戶內高壓接地開關是我公司生產的一種結構形式為組裝式的接地開關,其性能符合 GB1985-2014《交流高壓隔離開關和接地開關》國家標準。它適用于戶內 3.6-12kV 三相交流 50(60)Hz 的電力系統中;它具有短路關合能力以保護開關設備內其它電氣設備不受損壞。可與各種高壓開關柜配套使用,作為高壓電器設備檢修時接地保護作用。
| 項目 | 單位 | 參數 | ||
| 額定電壓 | kV | 12 | ||
| 額定短時耐受電流(熱穩定) | kA | 31.5 | ||
| 額定短路持續時間 | S | 4 | ||
| 額定短路關合電流 | kA | 80 | ||
| 額定峰值耐受電流(動穩定) | kA | 80 | ||
| 額定絕緣水平 | 額定短時工頻耐受電壓 | kV | 相對地及相間 | 42 |
| 額定雷電沖擊耐受電壓 | 75 | |||
| 機械壽命 | 次 | 3000 | ||

友情鏈接:
公司地址:浙江省溫州市樂清市樂清經濟開發區
聯系電話:
公司網址:www.xianhualvzhi.com
Copyright ? 2024 浙江明邦電氣科技有限公司 All Rights Reserved.